
RCT系列永磁滾筒
概述:
RCT(RCTB)系列永磁滾筒亦稱磁滑輪或干式大快磁選機。其內部采用高性能強磁材料組成復合磁系,具有磁場強度高、深度大、結構簡單、使用方便、不需要、維修、不消耗電力,常年使用不退磁等特點。可用于水泥、磁選、礦山、鋼鐵、化工、耐火材料、垃圾處理等行業的選鐵。與DT-75型、AD-80型通用固定式皮帶輸送機配套使用代替主動輪,也可與專用皮帶輸送機配套。
工作原理:

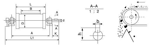
主要技術參數

使用現場:

RCT系列永磁滾筒
RCT系列永磁滾筒 2023-5-16 本文被閱讀 1599 次
| 上一條:XDCG系列全磁輥 | 下一條:RCDB懸掛式電磁除鐵器 |



